第18回定期事業者検査の状況
2026年3月1日現在
島根原子力発電所2号機第18回定期検査状況(No.4)
1.進捗状況
- 計画している点検・作業を順次実施しています。
2.主な工事の状況
(1)特定重大事故等対処施設設置工事
2026年2月9日(月)から作業を開始しました。
(2)燃料取替
2026年2月15日(日)から取出し作業を開始し、2026年2月20日(金)に全燃料560体の取り出しが完了しました。
(3)タービン電気油圧式制御装置取替工事
2026年2月9日(月)から作業を開始しました。
(4)給水流量制御装置取替工事
2026年2月9日(月)から作業を開始しました。
(5)原子炉隔離時冷却系制御装置取替工事
2026年2月16日(月)から作業を開始しました。
(6)電気ペネトレーションのモジュール取替工事
2026年2月17日(火)から作業を開始しました。
(7)原子炉圧力容器他点検
2026年2月23日(月)から作業を開始しました。
3.その他の工事の状況
- (1)蒸気タービン点検作業
2026年2月17日(火)から作業を開始しました。
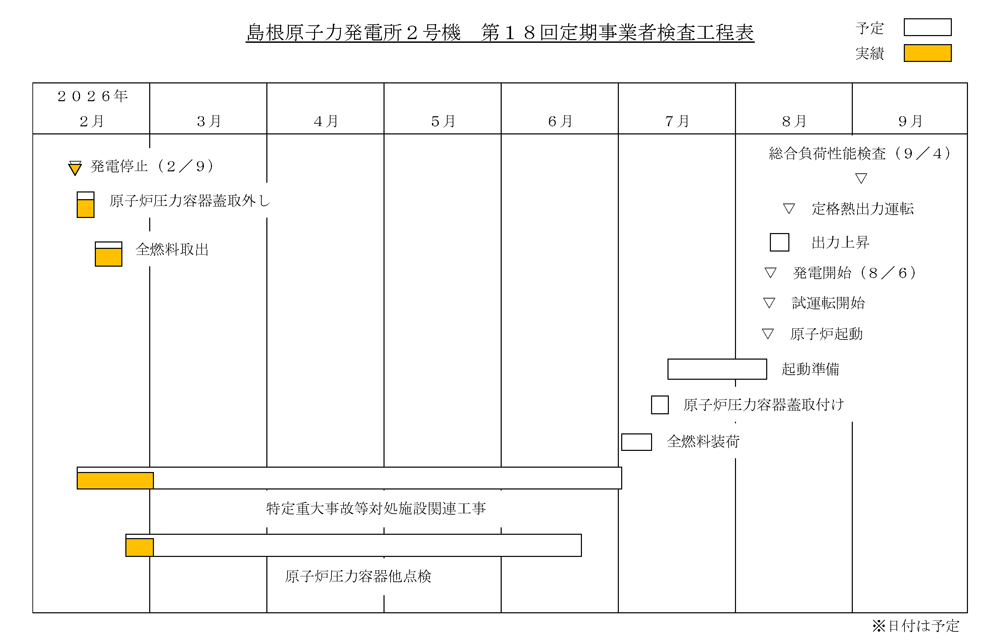
4.主要工程

5.今週の予定
- 計画している点検・作業を順次実施する予定です。
6.その他
(1)運転上の制限の逸脱および復帰について
2026年2月26日(木)16時06分、重大事故等発生時用の燃料プール※1水位・温度監視設備が使用できない状態となったことから、17時00分、原子炉施設保安規定に定める運転上の制限※2(以下「運転上の制限」)を満足しない状態であると判断しました。
その後、当該設備の復旧作業を実施し、使用できる状態になったことから、同日17時31分に運転上の制限を満足しない状態から復帰しました。
燃料プールの水位および温度は複数の設備で監視していることから、当該設備が動作不能な間も他の設備により継続監視できており、異常がないことを確認しています。
原因については、今後調査を進めてまいります。
また、本事象による外部への放射能による影響はありません。(2026年2月26日お知らせ済み)
- ※1 原子力発電所の使用済燃料等を水中で冷却・保管するための施設。
- ※2 原子炉施設保安規定に定める運転上の制限では、重大事故等発生時において燃料プールの水位・温度監視設備が動作可能であることが必要となる。本事象では、通常用の監視設備により燃料プールの水位および温度を継続監視していたものの、当該設備が停止したことから運転上の制限を満足しない状態であると判断したもの。
以上




